 Tracking all bands, all the time, on a budget
K4TD sent me a summary of the multi-band skimmer he has there at his contest station and I got very interested in SDR technology. At that time I had no idea of what SDR or Skimmer would mean. But after seeing the monster professional multi-band skimmer that K3LR had put up, I was joking with a friend KØRU that perhaps it may be able to do something similar, at a fraction of the cost, with the Softrock modules Tony Parks KB9YIG sells. This page covers the results of that work. Introduction to Software Defined Radios, published in the KC DX Club newsletter 2009. 2 Mb PDF download. BeginningsThe project started out with more modest goals - putting a couple of skimmers in action to see how they really did work. Initially I put 2 of the small Softrock SR2 into a single metal box covering 30/20m. Based on the success of that, another pair were added for 40/15m. To feed these 4 receivers a small MC MMIC amp drove a MC splitter. The entire arrangement was mounted on some aluminum rails. The single band Softrock version is still available and it's current version is called the Softrock Lite II (Combined) Receiver Kit. Price is about $20 and includes all the parts to build the receiver on any band 160m-20m. From time to time, Tony also makes available pre-assembled versions of the kit, built to the band of your choice, assembled and tested, for about $50. 

EvolutionBased on the success of the first set of Softrocks, next step was to build up more. And for that, production line technology is needed. 

In a couple of instances, the proper crystal needed for the receiver was not available. Custom crystals are expensive and have quite a bit of lead time. Another option was to use a oscillator module. Other than frequency and voltage, another critical factor is the phase noise and jitter of the oscillator. These are tiny variations in the oscillator's frequency that are superimposed on any received signal including the atmospheric band noise. I was unsure as to the relationship between the oscillator phase noise/jitter and the ability of the Skimmer software to decode. I purchased a couple of low cost oscillators and asked Jack Smith of Clifton Labs to take a look at their realtive performance. Jack had done some work earlier on some of the "canned" crystal oscillators and we thought it would be interesting to see what improvements may exist with newer versions of these units. His work is shown here in the following graph (courtersy of Jack Smith, Clifton Labs): 
Graph (c) 2010 Jack Smith, Clifton Labs all rights reserved Click HERE to see the full Clifton Labs report Of the two, the Abracon APS3 looked like the winner in the phase noise category and that was used on two of the units - the 6m and the 17m. Silicon Labs offers a pre-programmed chip with performance that is equvilant to the Si570 although the cost and lead time may be comproable to a custom crystal solution. In that case, the crystal probably remains the best way to proceed as the phase noise/jitter will be much superior to even the new SiLabs chip. The only remaining problem was to install the oscillators - they are miniscule in size. To put this into perspective, you can see the SMT bypass capacitor sitting on top of the oscillator chip in this photo: 
Softrock designs are published for Final Result 
Interior view of the array below. 10 softrocks dedicated to the HF bands 160-6. The 8-position splitter is visible in the center just below the amp box. The 1:3 splitter for the low bands is hidden by the tape covering the bottom 3 skimmer feeds. The amp module has 2 functions. First is to overcome the sensitivity problem of the softrock - they have a noise floor with my sound cards of about -105 to -110 dbm. With the preamp that level drops down to about -125 dbm - depending on band. The preamp is based around the MAR-8+ Mini Circuits MMIC. The second function of the amp module is to provide LO isolation. The LO on the softrock boards is about 5V P-P. The softrock attenuates the LO by about 30 db. The splitter another 30 db or so. Even with 60 db, that is still quite a lot of signal from the 10 crystal osc coming back up the antenna line... So the Z1000 buffer sits between the combiner and the preamp to offer an additional 70 db of return loss to LO signals present at that point. 
Two computers host the skimmer sessions. Computer 1 is a Intel Q6600 @ 3.5 Ghz; computer 2 is an Intel E6750 @ 3.8 Ghz. Each computer has an M-Audio Delta 10/10 with 4 inputs each. And the other two Softrock modules drive a Berhenger FCA202 and a Creative Labs Soundblaster Live 24. All Softrocks are 96 Khz sample rates. The computer processing power is adequate for all the contests I've seen in the last year although for Field Day, typically I will need to close the WARC band Skimmer sessions to avoid maxing the CPU. Another option to avoid CPU overload is to limit the maximum number of decoders implemented from within the individual Skimmer session. Each of the individual LO located at 46 Khz off the low end of the primary CW bands - and centered on the CW segments of the WARC bands. For 6m, the LO is 50.120 Mhz. Each Skimmer session provides a telnet feed. The individual Skimmer telnet feeds are combined using the K1TTT Wintelnetx application. The output of the Wintelnetx session feeds a XP-hosted telnet server. The DXLabs Spot Collector application draws from this consolidated feed and harvests the telnet stream for needed spots. Computer Screen SnapshotsThe individial skimmer session telnet feeds are consolidated by Wintelnetx. Here's a screenshot of what the skimmers in action look like: 
The consolidated telnet feed is read by DXlabs Spot Collector as a spot source: 
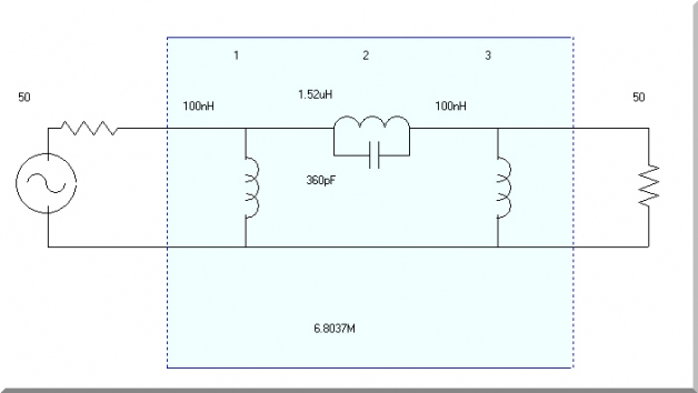
Project Comments - A Year LaterAbout the time I was working on this project, Alex the CW Skimmer author mentioned he was working on a stand-alone version of the software that would run on the QS1R host. That software, called CW Skimmer Server, is complete now and available to any licenesed owner of the CW Skimmer single session product. As implemented the Skimmer Server will host up to 7 simutanious sessions. A computer is needed to host the CW Skimmer Server when connected to the QS1R - however, the power levels needed to support the system are modest (P5-2Ghz class or better). The QS1R is expensive as SDR receivers go, however, compared to the cost of building the skimmer in the maner described here is similar when the cost of the computers if purchased seperately is considered. And there are operational issues as well to consider - the descrete implementation requires adjustment of the recording levels for the card, starting the individual skimmer sessions, etc. These may not seem like difficulties but when multipled by 10 sessions on 2 seperate computers, it seems there is always some little thing that needs attenation. One way to address this and increase reliablity would be to dedicate a single computer to the task - using it for no other task. From a computer horsepower standpoint, Alex has estimated that a i7 class computer should allow the 10 sessions to run comfortably. For these reasons, I beleive the best implementation of a skimmer server is a combination of the QS1R and the CW Skimmer Server software hosted by a modest dedicated computer. As a side note, it's my understanding that the limitation of 7 virtual skimmer sessions is a function of the size of the FPGA on the QS1R. There exists a larger Altera FPGA, of the same pin count, which looks from my superficial examination that it could be fitted to the QS1R expanding it's capability to serve all the HF bands including 60m simutaniously. This seems a logical improvement path for the future although I have not spoken with the QS1R author about it's viability - or more importantly - his interest to provide the enhanced version. I would doubt the cost of the larger FPGA is significantly greater.but the implementation may involve more than a chip replacement. =========================================================================================================== SidetrackedIn testing, the 15m SR skimmer module showed quite a good response to 7Mhz input signals. I like to play with filters and the N2PK makes building filters fun - so naturally, this looked like a good filter project. For passive filters, Elsie is a great software tool. The design for a simple filter, adjusted for parts that I had in the junkbox, looked like this on the schematic and simulation: 

Filter construction: 
VNA plots of the filter shown below. The filter was "tuned" by trimming the cap value for minimum SWR at 21 Mhz. The original design called for 330 pf and I added a combined 27 pF approximately to pull the SWR null to right at 21 Mhz. The filter was measured with the SR active - the transmission plot detector was placed on the SR transformer, output side, where the 10 ohm resistor feeds off over to the FST chip input. That provides some isolation of the SR and the filter module yet it allows characterization of the combined filter + SR input circuitry which in reality functions as a single unit in actual use. Transmission plot - about 2db loss at 21 Mhz. And 74db loss at 7 Mhz. A net attenuation of 72db for input signals. 
Reflection plot - blue trace is SWR plot (RED marker). Purple trace is return loss (PURPLE marker). 
Unfortunately, the actual reason this module showed so much response was not due to the module response alone - it was caused by the use of an unfiltered square wave - rich in 3rd order harmonics! The normal operation of that signal generator is for the oscillator to be followed by a series of LPF prior to the output. Operator error. Building the filter was fun and it gave me an excuse to get some further use out of the N2PK VNA. Links Alex Shovkoplyas's CW Skimmer Server Phil Covington's QuickSilver QS1R SDR Receiver Tony Parks' Softrock Lite II Combined Rx Kit Tonne Software Elsie LC Filter Design |